1 引言
水三相點是熱力學溫度和國際溫標ITS-90的溫度開爾文的定義點。在熱力學溫度測量、國際溫標復現以及實際溫度測量中,均有十分重要的意義。一次水三相點正確復現、準確測量是國際溫標ITS-90實施的關鍵。然而,影響水三相點值的因素很多,如冰橋所引起水三相點值偏低約0.04mK;環境熱輻射所引起的水三相點值偏高約0.14-0.17mK,并且隨著熱輻射的強度增強而增大,用黑棉塞堵住計阱口可以消除熱輻射的影響;Nicholas J V等人研究發現水三相點值取決于水三相點瓶內水的氫氧同位素的組成;Hill K D經研究發現硼硅玻璃的溶解所引起對的水三相點值每年約降低0.014mK等。
本文主要是研究在水三相點瓶的計阱內附加套管對水三相點測量結果的影響,套管可以增加溫度計傳感元件的導熱性,增加熱交換、降低自熱,并提高測量的可重復性。Steur P P M經研究發現在溫度計阱內加套管會影響水三相點的復現性:溫度計阱的直徑在Φ12-Φ13.6mm,其復現性的變化范圍超過50μK。為了研究套管對三相點的影響,本文研制了計阱內徑為Φ16mm和Φ18mm的水三相點瓶、外徑為15.5mm的紫銅管。在此基礎上,通過實驗確定銅管對水三相點的影響。
2 實驗
2.1 實驗裝置
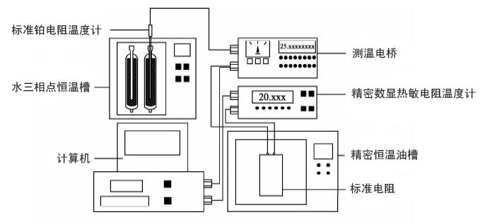
實驗裝置主要包括溫度計阱內徑為Φ16mm和Φ18mm的水三相點瓶及其保存裝置、高精度測量裝置、外徑為Φ15.5mm的紫銅管。高精度測量裝置由計算機、F900交流比較儀電橋、二等標準鉑電阻溫度計WZPB-2、NIM-9標準電阻恒溫槽、TINSLEY5685A標準電阻組成。圖1 為實驗裝置的結構示意圖。

圖1 套管對水三相點的影響研究實驗裝置的結構示意圖2.1.1 水三相點瓶

傳統水三相點瓶溫度計阱內徑Φ10mm、容器外殼的外徑Φ60mm。實驗采用中國計量科學研究院自主研制的水三相點瓶,其機構尺寸見圖2。其外徑與傳統水三相點的外徑相同。制作工藝也與傳統水三相點瓶的制作工藝相同:通過真空蒸餾方式將高純蒸餾水充入水三相點瓶外殼,并在真空下進行熔封。
圖2 水三相電瓶尺寸示意圖
2.1.2 高精度測量裝置
試驗中采用準確度為0.02×10-6的F900交流比較儀電橋,并編寫數據自動采集程序,顯著提高測量的自動化水平。
實驗使用TINSLEY 5685A 100Ω,其保存在NIM-9標準電阻恒溫槽內。該油槽24h內溫度穩定性為2mK,可最大程度減少標準鉑電阻隨溫度的波動第測量結果的影響。此外,利用熱敏電阻溫度計測量標準鉑電阻的溫度,并修正標準電阻在所測溫度下的電阻值。
2.1.3 套管
紫銅的導熱性良好,實驗選用的套管為紫銅管,外徑:Φ15.5mm;內徑:Φ11.8mm;長度108mm。圖3為紫銅管的實物圖。

圖3 銅管實物圖
2.2 測量步驟
實驗利用液氮冷卻銅棒法凍制水三相點瓶(可參考本站“水三相點瓶凍制方法”技術文章),使溫度計阱周圍形成10mm厚的冰套。并在溫度計阱內注入預冷的蒸餾水,保證冰套圍繞溫度計阱可自由轉動。為了消除冰套凍制中應力的影響,水三相點瓶凍制7天后再開始測量。
測量前,室溫下的玻璃管插入溫度計阱內使內溶,冰套可以繞計阱自由轉動。然后,將預冷的銅管放入計阱內,再將二等標準鉑電阻溫度計WZPB-2插入溫度計阱內,并調整計阱內液面高度與冰套高度一致。為消除熱輻射影響,在溫度計阱口塞上黑色保溫棉。當二等標準鉑電阻溫度計處于熱平衡后,分別在計阱內加銅管、不加銅管、再加銅管,用F900電橋測量鉑電阻溫度計在計阱底部的電阻值。每次測量采用相同的測量程序測量二等標準鉑電阻溫度計在計阱底部的電阻值。通常采用1mA和1.414mA測量,并將測量結果進行自熱修正、標準電阻溫度修正。
3 實驗結果與分析
3.1 實驗結果
表1為水三相點瓶計阱內附加套管和不加套管的測量結果。表中:Rtpw為測量二等標準鉑電阻溫度計在水三相點的電阻值;△T為加銅管與不加銅管的差值;Φ16、Φ18分別表示計阱內徑為16mm、18mm的水三相點瓶;Φ16Cu1、Φ18Cu1表示Φ16mm、Φ18mm的水三相點瓶第一次加銅管測量;Φ16Cu2、Φ18Cu2表示Φ16mm、Φ18mm的水三相點瓶第二次加銅管測量。
表1 套管對水三相點的影響
3.2 實驗結果分析
Φ16、Φ18水三項電瓶內加套管對水三相點測量結果的影響見圖4、圖5,由圖可以看出,在計阱內徑為Φ16mm的水三相點瓶內,加銅管后測量的水三相點的平均值偏高10μK,可以忽略不計,偏高的原因可能是加入套管后二等標準鉑電阻溫度計傳感元件的導熱性改變所致。而在計阱內徑為Φ18mm的水三相點瓶內,加銅套管后測量的水三相點的平均值偏高大約30μK。不同計阱的水三相點瓶,其計阱內壁與套管的接觸面積大小不同,熱交換能力也不同,因此,可能是上述原因導致不同溫度計阱內夾套管測量的結果存在差異。且在整個實驗中,前后二次加銅管的測量結果差值在10μK內,說明在整個實驗過程中測量是穩定的。

圖4 套管對Φ16容器的影響 圖5 套管對Φ18容器的影響
4 結論
研究了溫度計阱內加套管對水三相點測量結果的影響。實驗結果表明:實驗中套管對水三相點值的影響小于30μK。在相同的測量條件下,套管對水三相點的影響取決于水三相點瓶的溫度計阱和套管的直徑,且套管的直徑與水三相點瓶溫度計阱的直徑越接近,套管對水三相點值的影響也就越小。當套管直徑與水三相點瓶溫度計阱內徑接近時,可以忽略套管對水三相點的影響。
