昌暉儀表結合現場高壓開關柜不能防跳故障處理案例,和大家分享高壓開關柜不能防跳故障原因診斷和處理過程,提高電工高壓開關柜不能防跳故障處理技能。
故障設備:某水泥廠35kV變電站中控制主變壓器的高壓開關柜。
故障現象:在一次年度預防性試驗中,校試人員試驗這臺高壓開關柜的防跳躍功能。先將操作開關KK置于合閘位置,使斷路器處于合閘狀態。然后短接保護出口觸點,模擬保護動作,斷路器能跳閘,但跳閘后又重新合上了。顯然,防跳電路沒有起到防跳作用。
診斷分析:
① 重溫一下防跳裝置的工作原理電動合閘時,若斷路器合閘到有故障的線路上,繼電保護裝置將動作,使斷路器自動跳閘。此時如果操作人員仍將控制開關的手柄放在合閘位置上,則斷路器再次合閘。這種跳閘、合閘的多次重復就是所謂“跳躍”。多次跳躍的后果:一方面造成斷路器觸頭和機械部件的損壞,另一方面使一次系統受到嚴重影響,產生操作過電壓。因此,在設計斷路器的控制回路時,有必要采用防跳裝置,以防止發生此類現象。
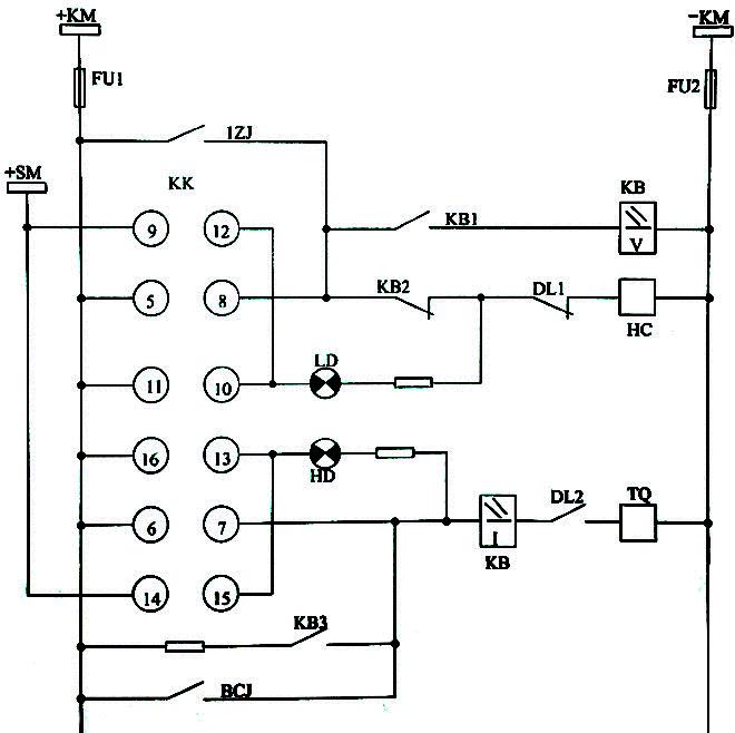
②下圖是防跳裝置的電氣控制原理圖,防跳斷電器KB是DZB-115型。當操作開關KK置于合閘位置,使觸點KK5-8接通時,合閘脈沖經KB的常閉觸點KB2送到合閘繼電器HC的線圈上,使斷路器合閘。合閘之后,如果發生故障,繼電保護裝置動作,則觸點
BCJ接通,使跳閘繼電器TQ得電,斷路器跳閘。在發出跳閘脈沖的瞬間,KB的電流線圈帶電,使常開觸點KB1接通。如果此時合閘脈沖未解除(例如控制開關KK未復歸,使觸點KK5-8仍接通或自投繼電器的觸點1ZJ被卡住,處于接通狀態),則KB的電壓線圈也帶電,形成自保持。其常閉觸點KB2斷開,切斷合閘繼電器HC的電流回路,使斷路器不會再次合閘。

③現在防跳電路不起作用。經過昌暉儀表工程師一整天的反復查找,未發現電路中有任何故障。
④在迷茫中突然想到一個問題如果KB的電流和電壓線圈中有一個接反,則電壓線圈產生的磁場與電流線圈產生磁場相互抵消,KB無法保持,吸合之后立即返回。其觸點KB1斷開,KB2閉合,這樣斷路器又會重新合閘,發生跳躍現象。
故障處理:將電壓線圈的兩根接線對換之后,故障立即排除,防跳功能完全正常。
