ATSE雙電源自動轉換開關在雙電源互投中必不可少,昌暉儀表結合GB14048.11-2008國家標準對ATSE的概念、特點、ATSE在轉換電源時的中性線重疊問題和ATSE應用場合做專業介紹。
1、ATSE的概念
ATSE的全稱是Automatic Transfer Switching Equipment,即自動轉換開關。ATSE的國家標準是GB/T 14048.11,我們來看看國家標準對ATSE的定義:
標準號:GB 14048.11-2008
標準名稱:低壓開關設備和控制設備 第6-1部分:多功能電路轉換開關電器
條目:2.1.2
內容:2.1.2 自動轉換開關電器(ATSE)automatic transfer switching equipment(ATSE)由一個(或幾個)轉換開關電器和其他必需的電器組成,用于監測電源電路、并將一個或幾個負載電路從一個電源自動轉換至另一個電源的電器。
①有兩路電源接入,正常使用時,始終有一路電源保持接通狀態。
②具有電源狀態檢測功能,能夠同時檢測兩路電源的狀態參數(電壓、頻率)。
③常用電源出現故障時(失壓、過壓、欠壓、斷相、頻率偏差),能夠自動將負載從常用電源自動轉換到備用電源。
按照國標GB/T 14048.11-2008規定,ATSE包括其本體和控制器。ATSE本體可分為PC級或CB級兩個級別。PC級的ATSE是統一的裝置,它能夠接通、承載、但不能用于分斷短路電流;CB級的ATSE則由兩套互投的斷路器構成。 因為斷路器配備了過電流脫扣器,所以CB級的ATSE能夠接通并用于分斷短路電流。
2、ATSE主要特點
額定電流:最大可達5000A
極數:3極型和4極型
結構原理及組成部分:型式1:接觸器型ATSE;型式2:斷路器型ATSE;型式3:符合開關型ATSE;型式4:PC級一體化型ATSE
使用類型:AC-31或AC-33
工作位置:兩段式ATSE或三段式ATSE
3、ATSE在轉換電源時的中性線重疊問題
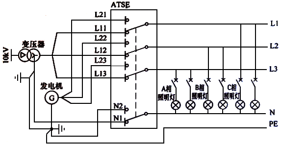
我們已經知道,TN系統有三種形式:TN-C、TN-S和TN-C-S。其中TN-C將PE和N聯在一起組成PEN線做為保護接地或保護接零。我們來看圖1。

圖1 ATSE中性線重疊問題的說明
圖1中的電源是TN系統:其中有發電機和電力變壓器供電電源,還有ATSE和三相照明負載。
設想原先低壓電網由市電供電,現在因為某種原因需要切換到發電機G供電,并且發電機G已經起動。在ATSE切換的過程中,若N1線先脫離,隨后相線才相繼脫離,于是會出現這樣的時刻:負載側的N將會出現中性點偏離,使得負載側的N線上出現較高的電壓,有可能會損壞照明燈具或者電力設備。
這種現象在電網切換的過程中時常會出現,究其原因,就是因為ATSE先于相線切換N線,致使用戶側N線帶上較高電壓,嚴重時甚至發生人身傷害事故。
若ATSE從發電機電源切換到市電電源時也先于相線切換N線,則同樣會出現上述現象。為了避免出現上述現象,ATSE在實施分斷操作時讓相線的分斷操作超前于N線;而ATSE在實施閉合操作時,讓相線的閉合操作滯后于N線。兩者的時間差不小于20min。注意:這里所指的時間差是 ATSE開關自身的動作時間差,而不是發電機起動落后于市電失壓故障的時間差。
對于CB級的ATSE,因為它是用兩臺斷路器加上控制器構成,因此不可能解決中性線重疊問題。但因為CB級的 ATSE是由斷路器構建而成的,因此CB級ATSE具有過電流的分斷能力,這是CB級ATSE的最大優勢。
有些PC級的ATSE開關能夠將相線相對于N線的投退完成時間按5min的時間間隔進行整定。例如,可以將分閘設定為相線觸頭超前N線觸頭25min動作,將合閘過程設定為N線觸頭超前相線觸頭45min動作,這樣就確保不會出現中性線重疊問題。有些ATSE開關還能在電壓過零時實現投切轉換,此時因為電網電壓最低不會出現沖擊電壓。
4、ATSE應用場合
對ATSE開關要求較高的場合一般是高檔樓宇項目、機場、會展、移動和電信等,特點是照明設備和通信設備多,經受不起N線上的瞬間高壓沖擊。
ATSE開關有三極和四極的兩種規格,這兩種規格應用的場合如下:
①應用場合之一:市電與發電機通過ATSE互投
若低壓配電網采用TN-S的接地系統,并且低壓進線側斷路器配備了接地故障保護,則ATSE和斷路器必須使用四極的元件規格;若低壓配電網采用TN-C的接地系統,則因為N線不得斷開,所以ATSE和斷路器都必須使用三極的元件規格。
②應用場合之二:饋電回路的雙電源互投
若饋電回路需要兩路電源互投,且電源來自兩段母線,則可以采用三級的ATSE開關。
昌暉儀表對ATSE雙電源自動轉換開關的功能特點及ATSE在轉換電源時的中性線重疊問題做了解讀,今天的知識分享到此結束。歡迎大家繼續到電工儀表頻道了解電氣行業常見儀表的選型及使用。
