溫控器繼電器觸點開關輸出電路
1、雙繼電器觸點開關輸出電路
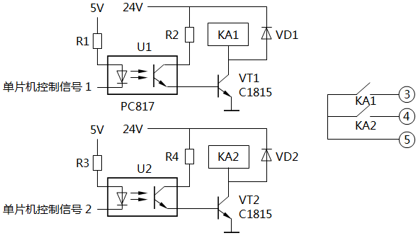
圖1是溫控器雙繼電器觸點開關輸出電路圖。圖中溫控器測量值與給定值的偏差,經過單片機的內部程序運算后,輸出開關量控制信號,經過光電耦合器隔離和晶體管放大后,驅動KA1或KA2繼電器動作,并從溫控器的端子3、4、5輸出雙路常開觸點信號,5為觸點的公共端。這種雙繼電器控制輸出電路,常用于有加熱、制冷要求的控制系統。

圖1 溫控器雙繼電器觸點開關輸出電路
2、繼電器觸點開關輸出電路
圖2是一種繼電器常開、常閉觸點開關輸出電路,溫控器的控制信號由單片機的3腳輸出。當輸出為高電平“1”時,三極管VT1及VT2都不導通,繼電器KA1不動作;當3腳為低電平“0”時,三極管VT1及VT2導通,繼電器KA1動作,常閉觸點NC斷開,常開觸點NO閉合,從溫控器的端子5、6、7輸出常開、常閉觸點信號。與繼電器觸點并聯的471壓敏電阻,起消火花作用。

圖2 繼電器常開、常閉觸點開關輸出電路
繼電器觸點開關輸出電路常作為主輸出,用于位式控制或時間比例控制,還可作輔助輸出的控制或報警輸出。用于位式控制時,繼電器觸點的通、斷信號就可直接或間接地控制電加熱電源的通和斷。位式控制控溫效果差,現大多采用時間比例控制來調整電加熱的功率。單片機的時間比例輸出是一個方波信號,其周期等于控制周期,通常為0.5-4s。輸出值大小正比于方波的占空比,且占空比是可調的,還可在0-100%之間任意給定輸出限制值,繼電器觸點的輸出受控于人工智能控制的輸出信號。
