溯本清源
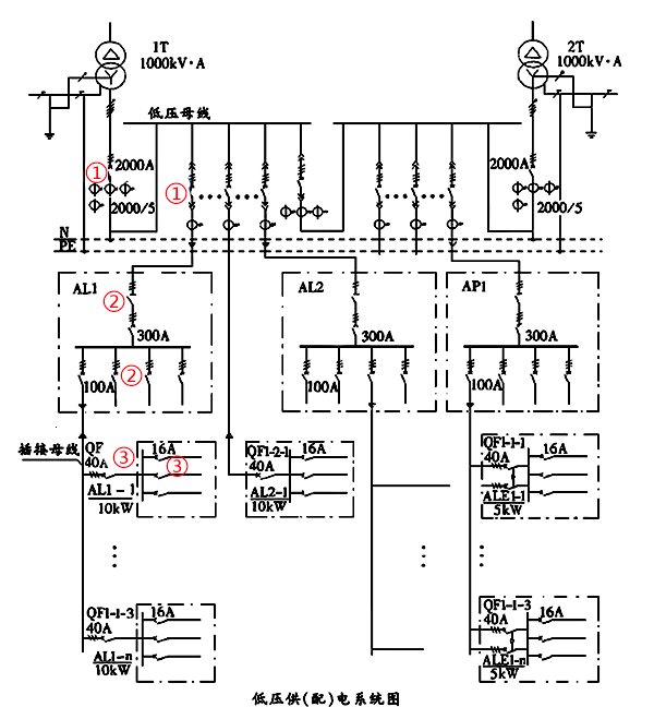
配電級數的定義應是:“一個供電回路通過配電裝置分為幾個回路的一次分配,稱之為一級配電。”即一個配電裝置的進線開關和饋出開關合起來稱作“級”,不因它的進線開關采用斷路器或采用隔離開關而改變它的配電級數。
如下圖所示,1進1出為一級配電,一共有3級配電。有人認為采用隔離開關能減少配電級數是錯誤的,減少的是保護級數。

設計建議
對重要負荷的配電級數,當變壓器在用電設備的建筑物內時, 自變壓器低壓側至用電設備之間,不宜多于兩級。當變壓器不在用電設備的建筑物內時,不宜多于三級。對于非重要負荷的配電級數要求比重要負荷可放寬一級。特殊情況下,可按管理需要設置。
作者:特斯拉換燈泡
