自鎖
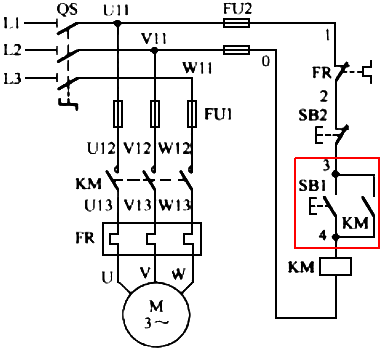
首先說一下什么是自鎖。為了便于讀者理解結合下圖電動機連續運行控制(長動控制)電氣原理圖進行講解“自鎖”。將接觸器的輔助常開觸點并聯在啟動按鈕上,如下圖中紅色框中所示,按下啟動按鈕SB1后,接觸器線圈得電,接觸器的主觸點閉合電動機得電運行,與此同時,接觸器的輔助常開觸點閉合,保證接觸器線圈繼續得電,從而保持電動機的連續運行,這種依靠接觸器本身輔助常開觸點而使其線圈保持通電的狀態稱為自鎖。由此可見自鎖是實現點動控制到長動控制不可缺少的環節,是通過將接觸器的輔助常開觸點并聯在啟動按鈕上實現的,所以自鎖是電氣控制線路中最常見到的環節。

互鎖
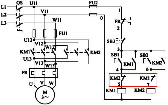
然后再說一下互鎖,提到互鎖也需要結合一個電氣原理圖進行講解,這個電氣原理圖的名稱為電動機正反轉控制電路如下圖所示。電路中采用了兩個接觸器KM1、KM2,分別控制電動機的正、反轉。當KM1通電和KM2也通電,在主電路中,KM1和KM2的主觸點都會閉合,會造成電源相間短路的故障。為了解決該問題,采用將KM1和KM2的輔助常閉觸點串聯在對方的線圈電路中,實現觸點的互鎖控制。也就是當其中任意一個接觸器的線圈得電后,另一個接觸器的線圈不能得電,從而避免了主電路中發生相間短路。互鎖實現方法通過正、反轉接觸器KM1和KM2線圈電路中都分別串聯對方的輔助常閉觸點來實現的。

聯鎖
聯鎖控制是多個控制信號之間建立的邏輯控制關系,是電器設備之間的一種聯動控制方式。聯鎖控制的特點是相互聯動。聯鎖控制典型應用場合是順序控制。順序控制通常是指多臺電動機按照控制要求的順序而實施起動、停止的操作。順序控制可以分為順序起動、同時停車控制電路,順序起動、順序停車控制電路,順序啟動、逆序停車控制電路三種控制電路。
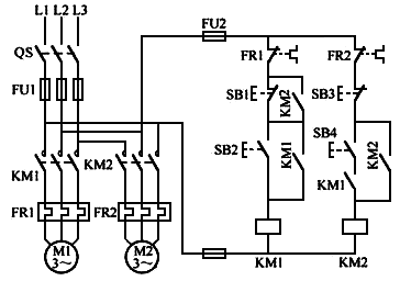
1、順序起動、同時停車控制電路電氣原理圖如下圖所示。順序啟動實現方法為將“先啟動接觸器”的輔助常開觸頭串接在“后啟動接觸器”的線圈電路中,實現了啟動順序的制約,也就是所謂的聯鎖控制。

2、順序起動、順序停車控制電路電氣原理圖如下圖所示。順序啟動實現方法為將“先啟動接觸器”的輔助常開觸頭串接在“后啟動接觸器”的線圈電路中,實現了啟動順序的制約,也就是所謂的聯鎖控制。順序停止實現方法為將“先啟動接觸器”的輔助常開觸點并聯在后啟動控制線路中停止按鈕上,從而實現了順序停止的制約,即聯鎖控制。

3、順序啟動、逆序停車控制電路電氣原理圖如下圖所示。順序啟動實現方法為將“先啟動接觸器”的輔助常開觸點串接在“后啟動接觸器”的線圈電路中,實現了啟動順序的制約,也就是所謂的聯鎖控制。逆序停止實現方法為將“后啟動接觸器”的輔助常開觸點并聯在先啟動控制線路中停止按鈕上,從而實現了逆序停止的制約,即聯鎖控制。

自鎖、聯鎖和互鎖的知識就分享到此,這些電工基礎,在控制系統中所處可見,儀表人和電氣人都應該熟練掌握。
作者: 鄭俊觀
相關閱讀
電動機正轉控制線路原理解讀
儀表工必知的電動機正反轉控制電路原理及應用
