工業控制的核心是電動機的控制,電動機控制的核心是接觸器,接觸器線圈控制常規元器件就是按鈕開關,今天電力儀表介紹按鈕開關在二次控制回路中的功能、使用及安裝。

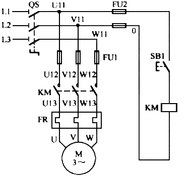
1、三相異步電動機的點動控制
電動機的點動在工業控制中常用在調試和檢修狀態,此狀態中需要人為的控制運動的時間以查看回路的運行狀態。

回路說明:在該控制回路中,按鈕手動按下后回路接通,松手后按鈕彈出,回路斷開,通過手動按動上下實現接觸器的吸合釋放,進一步實現電動機的點動功能。
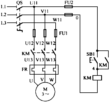
2、三相異步電動機的啟動控制
電動機的啟動在工業控制屬于基本回路之一,常用在電動機控制的啟動階段,常搭配停止一起使用。

回路說明:在該回路的控制中,使用的按鈕開關和點動回路一致,僅在按鈕開關兩端并聯接觸器的輔助常開觸點,實現回路的接通自鎖功能,使用按鈕開關為標準型自復平鈕,自帶一組常開觸點。
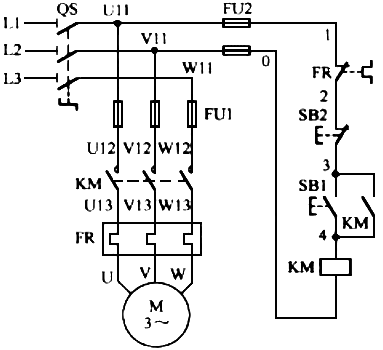
3、電動機啟動+停止控制
該回路是一個較為簡單的完整的控制回路,可以控制電動機的啟動和停止,常用在較為簡單的工業控制中。

回路說明:在該回路的控制中,啟動仍然使用自復位式1NO按鈕,在回路中按下按鈕開關后接觸器線圈得電吸合,接觸器主回路接通電動機開始工作,接觸器輔助常開閉合,回路自鎖,完成啟動;在啟動按鈕前端增停止按鈕,使用型號為德力西電氣LAY5s-BA 紅色 1NC (標準型平鈕),按鈕開關常閉觸點串聯在回路中,按鈕按下后,回路斷電,接觸器線圈斷電回路斷開,電動機停止工作。
4、電動機啟動+停止+反轉控制
該回路增加了電動機的反轉控制功能,常在需要電動機正傳和反轉的回路中,在一些常用的農業機械中有大量的使用。

回路說明:在該回路中,通過控制電動機的接線相序,實現正傳和反轉,兩臺接觸器分別實現電動機的正轉控制和換相后的反轉控制,在控制回路中,分別控制兩臺接觸器線圈的吸合和釋放,要求兩臺接觸器不能同時得電。所以在回路控制中出去按鈕的自鎖啟動外還增加了互鎖,即在回路中增加另外一個按鈕的常閉觸點和另一臺接觸器的常閉觸點;所以回路中選用的觸點為1N0+1NC。
5、按鈕開關安裝
5.1 安裝類別
該系列按鈕為φ22mm面板安裝按鈕,面板安裝孔為φ22.7mm~φ22.3mm,標準型按鈕可采用1-6mm厚度的安裝面板,經濟型按鈕可采用1-4mm厚度的安裝面板。
5.2 安裝方式
標準型按鈕采用螺釘安裝,經濟型按鈕采用卡扣安裝。
5.3 拆卸
標準型按鈕:用合適的螺絲刀將中座上的緊固螺釘擰下,固定觸點模塊后,將按扭頭逆時針方向轉動,停止轉動取出即可,經濟型按鈕用φ3mm的螺絲刀將中座上的卡扣向外翹使扭頭松動,將扭頭取出即可。
5.4 安裝
標準型按鈕:按鈕頭從安裝板正面裝入,將按鈕的中板四個凸臺對準頭部定位處卡入并順時針轉動,擰緊固定螺釘即可。
經濟型按鈕:退出螺紋圈,將按鈕頭從面板正面裝入,固定好扭頭方向后擰緊螺紋圈,通過中座的卡扣將觸點模塊扣緊按鈕頭。
相關閱讀
電氣圖形符號和電氣文字符號大全
電氣控制回路八種常用元件原理介紹
儀表柜和電氣柜按鈕顏色選配及按鈕選型
