需要說明,《民用建筑電氣設計標準》這一條是根據《公共建筑節能設計標準》GB50189、國家發展和改革委員會《節約用電管理辦法》(2004)、《評價企業合理用電技術導則》GB/T3485編制而成。
1、電動機的效率不應低于現行國家標準《中小型三相異步電動機能效限定值及能效等級》GB18613規定的能效限定值,宜采用符合節能評價值的電動機。
目前,《中小型三相異步電動機能效限定值及能效等級》GB86132 最新版本改為《電動機能效限定值及能效等級》GB186132-2020,于2021年6月1日實施。
另外,根據《中華人民共和國節約能源法》和工業和信息化部等部門《關于組織實施電機能效提升計劃(2013-2015年)的通知》(工信部聯節[2013]226號)的要求,結合工業節能減排工作實際情況,經生產廠家和工業用戶申報、相關行業協會和專家評審,研究提出《高耗能落后機電設備(產品)淘汰目錄前后一共四批。Y、Y2、Y3、YB、YB2等系列電動機在淘汰目錄中。
2、額定功率大于200kW的電動機宜采用高壓電動機。
對于大功率的電動機:高壓電動機電流小,轉矩大,運行穩定,而且高效節能;而同樣功率的低壓電動機電流很大,因此其運行穩定性相對差,且能耗要高于高壓電動機。當然,高壓電動機的價錢會高于低壓電動機,對電工要求較高。
3、恒負荷連續運行,功率在250kW及以上的電動機,宜采用同步電動機。
民用建筑中很少有此類電動機。
4、除特殊要求外,不宜采用直流電動機。
現在交流系統,這條規定具有節能意義。但要看以后民用建筑低壓直流系統推廣的情況了!
5、應合理采用電動機啟動調速技術;當機械工作在兩個不同工況時,在滿足工藝要求的情況下,宜通過調整電動機極數進行調速;當機械的工況大于兩個時,宜采用電動機變頻調速方式,且變頻調速裝置應有抑制高次諧波的措施。
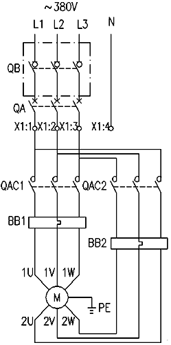
在民用建筑中得到廣泛應用。例如,平時/消防時兩用的雙速風機,平時采用低速運行用于排風;火災時采用高速運行用于排煙。風機工作在低速和高速兩個不同工況,通過控制電路調整電動機極數,從而達到電動機調速的目的,既滿足工藝要求,又可靠、經濟。

圖1 雙速風機主接線圖
相關閱讀
◆常見電機型號與軸承對照表
◆三相異步電動機原理和結構
◆三相異步電動機的典型應用及控制電路
