關于儀表附加外部設備的安裝以及防爆問題探討:
1、可燃氣體/有毒氣體探測器自帶的聲光報警器連接
①氣體探測器自帶的聲光報警器作為一個完整的設備出廠銷售,聲光報警裝置與探測器本體均滿足防爆等級要求,驅動電源和信號來自探測器內部。


②氣體探測器安裝圖
從上圖可以看出,探測器電氣接口3/4”NPT(F)處增加了防爆密封格蘭+防爆撓性管的連接方式。

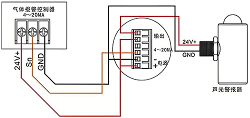
2、現場儀表用SPD 連接兩線制變送器
①現場儀表用SPD外形圖

②現場儀表用SPD內部連接圖

③現場儀表用SPD現場安裝圖片

從上圖可以看出,探測器電氣接口1/2”NPT(F)處增加了防爆密封格蘭+防爆撓性管的連接方式。
3、現場儀表SPD連接 四線制質量流量計、電磁流量計等
①現場儀表用SPD(四線制)外形圖

②儀現場儀表用SPD(四線制)內部連接圖

③SPD(四線制)現場安裝
例如:電磁流量計,質量流量計,伺服液位計等安裝。(待補充…)
綜上所述,根據不同項目的特點,和儀表的信號類型,合理選用現場儀表用SPD的接線方式(兩線制、三線制、四線制),現場安裝方式等細節處理,確保儀表正常工作,滿足防爆、防護等技術要求,保證生產裝置平穩運行。
