一般而言,接觸器輔助觸點在帶載情況下的電氣壽命不是問題,但在低電壓、低電流信號回路中接觸器輔助觸點的導通可靠性問題一直存在,而今天昌暉儀表要討論就是其“導通可靠性”。
以接觸器輔助觸點為例,一般情況下,其宣稱的接觸器輔助觸點最小導通容量為17V/5mA。

實際上在使用過程中,客戶發現將該輔助觸點接入PLC反饋回路24V/10mA,會出現偶發性導通不可靠的現象。尤其是對反饋信號可靠性要求極高的行業,如地鐵、電梯等,導通可靠性故障會導致電梯關人、地鐵運行報警等故障。
客戶的疑問來了,接觸器輔助觸點的最小導通容量為17V/5mA,現在回路電壓電流為24V/10mA,怎么還會出現導通可靠性故障呢?
1、接觸器輔助觸點最小導通容量17V/5mA的宣稱依據
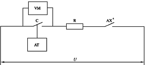
輔助觸點最小導通容量的可靠性驗證,遵循GB/T14048.17-2008第5-4部分:控制電路電器和開關元件-小容量觸頭的性能評定方法(特殊試驗)。其基本電路如下圖所示:

基本方法所用的典型的試驗電路
上圖中C為受試觸頭;AX為受試觸頭不用于切換負載時,用于接通和分斷電流的輔助觸頭;U為電源電壓(直流);R為電阻性負載;AT為受試觸頭的操動功能;VM為電壓測量電器;AX應該選用具有較小的機械彈跳,而且具有穩定觸頭壓降的類型。
對于最小導通容量為17V/5mA的輔助觸頭,標準要求試驗回路電壓為17V,回路電流為5mA,試驗過程監控觸頭兩端的電壓降。試驗電流的持續時間和電壓降監控時序如下圖:

上圖中,字母I代表試驗電流;tp為試驗電流的持續時間;字母C代表受試觸頭;tb為達到穩定閉合的時間,因為要躲過觸頭彈跳時間,所以tb至少為10ms;ts為為觸頭穩定閉合時間;字母M代表觸頭上的電壓降監控;ti為接通電流后無監視的初始時間,主要是為了躲過觸頭彈跳時間,至少10ms;tm為觸頭壓降測量的時間;tc為分斷電流之前無監視的最后時間。
當觸頭兩端的電壓降大于回路電壓的5%,即0.85V,且持續時間大于5ms,則記錄為一次缺陷,三次缺陷就認為觸頭已經失效。
需要特別強調的是,輔助觸點宣稱的失效率λ=10-8,并不是針對單個輔助觸點的失效率,按GB/T14048.17的要求,是對多個輔助觸點測試后的概率統計的計算結果。
例如:20個受試觸頭(n=20);試驗周期:N=5×106操作循環(定時試驗);在100000次操作循環時觸頭1失效;在400000次操作循環時觸頭2失效;在1.5×106次操作循環時觸頭3失效;在2.5×106次操作循環時觸頭4失效;在4×106次操作循環時觸頭5和6失效;觸頭7~觸頭20一直運行到操作循環結束5×106沒有發生失效。
于是:n=20;r=6;N*=105+0.4×106+1.5×106+2.5×106+2×4×106+2×4×106沒+14×5×106=82.5×106;λop=6/82.5×106=0.7×10-7失效數/操作循環次數;在置信水平90%下,查詢GB/T14048.17表1,Kc=10.55;λc=10.55/82.5×106=1.3×10-7失效/操作循環次數。
2、輔助觸點偶發性不導通故障的原因
雖然廠家提供的輔助觸點最小導通容量為17V/5mA,觸點所在回路的電壓很多時候會超過24V,電流也在10mA左右,但實際應用中,會偶發性出現不導通故障。
昌暉儀表曾經處理過多起類似故障,以某現場電梯控制系統丟失信號為例,示波器抓取的電壓信號顯示,觸頭導通信號延遲930ms后再出現,這早就超過了系統設定的檢測時間,所以會經常報錯。

輔助觸點導通可靠性故障一般會出現在設備調試階段或設備運行一段時間后,調試階段的故障原因基本上是觸點污染物引起,例如粉塵、外來異物等(見下圖)。

因為電控柜一般會提前安裝在建筑或地鐵內,如果電控柜無防塵措施,單單靠接觸器本身防塵是不可能的(接觸器防護等級為IP20),施工階段帶來的粉塵等異物會進入產品內部,引起觸點導通可靠性故障。
一旦設備在運行初期頻頻報錯,就需要拆開產品檢查觸點表面的狀況,此時由于觸點接通分斷電流比較小,次數也不多,電弧痕跡不明顯,銀點顏色比較亮,所以只需要檢測觸點周圍的污染物即可確定故障原因,很多時候現場反饋,更換一個新接觸器故障就消失,這符合邏輯。
設備運行一段時間(兩年或三年)后,輔助觸點也會偶發性出現導通可靠性故障,這時候不單單要考慮觸點由于靜電吸附帶來的粉塵等異物,還需要考慮銀觸點本身氧化、硫化等自然變化引起的接觸電阻升高。
輔助觸點的材料一般為銀鎳合金,銀的導電性很好,但銀容易和空氣中的硫生成黑色的硫化銀,硫化銀的電阻率很高,幾乎就是絕緣體。即使是空氣中微量的硫元素,也容易與銀生成硫化銀,更別提在含硫量高的化工場合,如火電廠、水處理廠等。
全新的銀點表面周圍都很光亮,一旦發生硫化氧化,其顏色會逐漸變暗變深,但觸頭中心位置正常的電弧痕跡除外。
對經常發生失效故障的觸頭材料做EDS金屬元素能譜分析,會發現觸點表面含硫量比較高,說明硫化銀已經大量存在觸點表面。

輔助觸點用在的自鎖或互鎖回路時,由于是高電壓或者大電流,例如220V交流線圈的啟動功耗一般為70VA,線圈電流300頓毫安;如果是24V直流線圈,線圈啟動和保持功耗都為5.4W,所以線圈電流為5.4/24=225mA。
輔助觸點接通、分斷高電壓、大電流時產生的電弧能量,足以清除掉觸頭表面的粉塵、硫化物、氧化物等,從而保證導通可靠性,所以輔助觸點用在高電壓、大電流場合幾乎不會出現導通可靠性故障,更看重其電氣壽命次數。但是,當普通輔助觸點用于24V信號回路時,其偶發性的導通可靠性故障,就像幽靈一般飄忽不定。
究其原因,接通分斷低電壓、小電流時產生的電弧能量,不足以清除觸點表面的粉塵、硫化物、氧化物等,久而久之觸點的導通可靠性會越來越差。
3、提高輔助觸點導通可靠性的措施
如前所述,低電壓、低電流工況下輔助觸點導通可靠性與觸點材質、IP防護等有關,還與觸點結構、形狀、觸點彈簧壓力等因素相關。
首先,常規輔助觸點的材質為銀鎳合金,銀的電阻率很低,在無硫化、氧化的條件下,銀合金觸點在低電壓低電流下的導通可靠性極好,為了避免銀觸點硫化氧化,工程師想到在銀觸點表面鍍金,來提高觸點的導通可靠性。
其次,為避免外來異物掉在觸點表面影響接觸,可以提高外殼的IP防護等級,例如采用IP50防護等級的外殼,或采用干簧管結構將觸點密封,完全杜絕外來粉塵,同時避免觸點被硫化、氧化。
此外,在動、靜觸頭結構設計上,采用鋸齒狀、十字交叉接觸來提高導通可靠性。鋸齒狀是為了方便粉塵落入溝槽中,而不是落在接觸面上,十字交叉接觸主要是考慮在微觀上其實就是點接觸。
在動、靜觸點接觸瞬間,還還可以通過特殊的導槽設計,讓動靜觸頭之間產生摩擦,類似搓衣板一樣的動作,通過摩擦清除觸點表面的粉塵、硫化物等影響導通可靠性的物質。

在動觸點的結構設計上,還可以通過雙觸橋來提供導通的冗余度。
如果單個觸點的失效率為p,假設p=0.01%,即動作104次才有1次失效,當采用雙觸橋方案后,理論上失效率為p2,即動作108次才有1次失效。
關于雙觸橋方案的可靠性,本文分享一個機車客戶案例供大家參考:在故障分析階段,昌暉儀表通過車輛系統監控的數據已經確定為輔助觸點導通可靠性故障,因為在故障發生時,主回路風機工作正常,風壓在持續上升,但是系統有時候監控不到NO觸點的反饋信號。
其次,從產品拆解后觸點表面的狀況看,外來污染物非常明顯,且回路電壓DC110V,電流16mA。于是,我們建議客戶采用外置輔助觸點模塊,并且采用兩個NO觸點并聯的方案,來提供輔助觸點的導通可靠性。
半年跟蹤下來,故障率極低,以前客戶懷疑是接觸器本體故障,每次故障發生后都會更換接觸器,成本巨大。

寫在最后
關于弱電環境下的接觸器輔助觸點導通可靠性討論到此也就結束了,昌暉儀表從接觸器輔助觸點本身驗證的試驗標準、故障發生原因以及接觸器輔助觸點設計上的措施,在技術層面都可以說的明明白白,而且前人針對該問題做了大量的研究,按理說失效機理很明確,對于可靠性要求高的場合,應該選擇更合適的產品,但是一旦進入產品選型階段,就會妥協于成本。
輔助觸點的成本不過十幾、二十元,但在可靠性要求很高的場合,由于偶發性可靠性故障導致元器件廠家、設備制造商、最終用戶之間的溝通成本,會遠遠高于輔助觸點本身。
從元器件廠家的角度,需要提供可靠性更高產品,而不是僅僅依據產品標準來宣稱產品參數,試驗室的環境遠遠優于現場實際工況。
作為最終用戶,應從實際現場環境和自身對可靠性要求出發,選擇更合適的產品,而不應該只看到眼前的成本,忽略產品整個周期的維護成本。
作者:賓昭平
