差壓式流量計按結構形式分類:標準孔板、標準噴嘴、經典文丘里管、文丘里噴嘴、1/4圓孔板、錐形入口孔板、圓缺孔板、偏心孔板、楔形孔板、道爾管、羅洛斯管、線性孔板、小口徑孔板(內藏孔板)、彎管、環形管、可換孔板節流裝置、平衡流量計、插入式流量計。
昌暉儀表在本文分別介紹各差壓式流量計的結構。
1、差壓式流量計按產生差壓的作用原理分類
①節流式。依據流體通過節流件使部分壓力能轉變為動能以產生差壓的原理工作,如孔板、文丘里管等。
②動壓頭式。依據動壓轉變成靜壓的原理而工作,如均速管流量計等。
③水力阻力式。依據流體阻力產生差壓的原理工作,如層流流量計等。
④離心式。依據彎曲管或環形管產生離心力原理形成的差壓而工作,如彎管、環形管流量計等。
⑤動壓增益式。依據動壓放大原理工作,如皮托管等。
⑥射流式。依據流體射流撞擊產生差壓的原理工作,如射流式差壓流量計等。
2、差壓式流量計按結構形式分類
①標準孔板
標準孔板又稱同心直角孔板,其軸向截面如圖所示??装迨且粔K加工成圓形同心的具有銳利直角邊緣開孔的薄板,標準孔板有三種取壓方式:法蘭、角接和徑距取壓。

②標準噴嘴
標準噴嘴有兩種:ISA1932噴嘴和長徑噴嘴,其結構如下圖所示。1SA1932噴嘴由兩段圓弧形收縮段和圓筒形段組成,它僅有角接取壓一種取壓方式。長徑噴嘴有兩種形式:低比值噴嘴(0.20<B<0.50)和高比值噴嘴(0.25<B<0.80),當0.25<B<0.5時,可采用任意一種結構的噴嘴。長徑噴嘴由橢圓廓形收縮段與圓筒形段組成,其取壓方式為徑距取壓。


③經典文丘里管
經典文丘里管由入口圓筒段、圓錐收縮段、圓筒形喉部和圓錐擴散段組成,結構如下圖所示。經典文丘里管有三種結構形式:粗鑄收縮段的文丘里管、機械加工收縮段的文丘里管、粗焊鐵板收縮段的文丘里管。其取壓方式為上游取壓口距收縮段前0.5D處,下游取壓口在圓筒形喉部的中心(距收縮段前0.5d)。

④文丘里噴嘴
文丘里噴嘴由噴嘴(ISA1932噴嘴)、喉部和擴散段組成,如下圖所示。擴散段類似文丘里管的擴散段。文丘里噴嘴上游取壓口與ISA1932噴嘴相同,下游取壓口在喉部中央。

⑤1/4圓孔板
1/4圓孔板的形狀由與標準孔板的差別只在孔口形狀的不同,由半徑為r的1/4圓構成的入口截面以及噴嘴出口等組成,結構如下圖所示。其取壓方式有角接取壓法和法蘭取壓法兩種,當D<40mm時,只能采用角接取壓法。

⑥錐形入口孔板
錐形入口孔板與標準孔板的形狀類似,相當于一塊倒裝的標準孔板,其結構如下圖所示,采用角接取壓法。

⑦圓缺孔板
圓缺孔板開孔為一個圓的一部分(圓缺部分),這個圓的直徑是管道直徑的98%,開孔的圓弧部分的圓心應精確定位,使其與管道同心。這樣可保證開孔不會被管道或兩端的墊片所遮蓋。其結構如下圖所示。采用法蘭取壓。

⑧偏心孔板
偏心孔板的孔是偏的,它與管道同心的圓相切。安裝這種孔板必須保證其孔不會被法蘭或墊片遮蓋住。其結構如圖下所示。采用角接取壓、法蘭取壓。

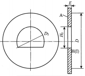
⑨楔形流量計
楔形流量計結構如下圖所示。其檢測件為V形。設計合適時,節流件上下游處無滯流區,不會使管道堵塞。V形檢測件頂端為圓弧形,有較好的耐磨性。

⑩道爾管
道爾管的結構如下圖所示。它由40°入口錐角和15°擴散管組成,流體先碰撞到a上,再流經短而陡的錐體,到達喉部槽兩邊的兩個圓筒部分,流體再經銳邊d和e,通過一段短的錐體后,在f處突然擴大到管道中,整個長度僅為管徑的1.5~2倍,是文丘里管長度的17%,而且其廓形與文丘里管和噴嘴一樣具有光滑的曲線部分。道爾管產生的差壓比經典文丘里管大,但在高差壓下壓損卻較低。

?羅洛斯管
羅洛斯管結構如下圖所示。它由入口段、入口錐管、喉部錐管、喉部和擴散管組成。入口錐管的錐角為40°,喉部錐角為7°,擴散管錐角為
5°,上游取壓口采用角接取壓,其取壓口緊靠入口錐角處,下游取壓口在喉部長度的一半,即d/4處。

?線性孔板
線性孔板又稱變壓頭變面積孔板,其結構如下圖.所示。線性孔板是一種孔隙面積隨流量大小自動變化的節流件。曲面圓錐形塞子在流體形成差壓和彈簧的作用下來回移動。造成孔板孔隙變動,使輸出差壓與流量成呈線性關系,大幅提高范圍度。

?小管徑孔板(內藏孔板)
口徑小于50mm的孔板,有多種結構形式,內藏孔板形式如圖4-2-14所示。當管徑較小時,孔板入口邊緣尖銳度及管道粗糙度等對流出系數有較顯著的影響,因此按結構、幾何形狀及尺寸難以確定流出系數,這就是φ50mm以下孔板難以標準化的原因。小管徑孔板一般都需個別校準才能準確確定流出系數。

?彎管、環形管
彎管結構如下圖所示。利用管道系統彎頭作檢測件,無附加壓損,不需要專門安裝節流件,彎頭取壓口開在45°或22.5°處,取壓口結構與標準孔板相同,2個平面內的2個取壓口對準,使其能處于同一條直線上,彎頭內壁應盡量保持光滑。

?可換孔板節流裝置
可換孔板節流裝置如下圖所示,該裝置設有上、下兩個腔體,可在不切斷流體的情況下輕便地操作機械搖臂,將孔板升到上腔體內加以密封,實現在線檢修或更換孔板。

?平衡流量計
平衡流量計具有對稱多孔結構特點,能對流場進行均衡,降低了渦流、振動和信號噪聲,提高了流場穩定性和線性度,多孔對稱的均衡設計,減少了紊流剪切力和渦流的形成,大幅降低了滯留死區的形成,保證臟污介質順利通過多個孔,減小了流體孔被堵塞的機會。左右完全對稱,可以十分方便地測量雙向流。平衡流量計有三種取壓方式:角接、法蘭及D-D/2取壓。法蘭取壓應用較為廣泛,如下圖所示。

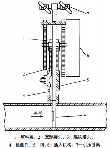
?插入式流量計
差壓式均速管流量計采用動壓頭式工作原理,插入式結構形式,其結構如圖4-2-18所示。通常流量計與管道為法蘭連接,只有在管道內流體斷流時才允許拆卸儀表。采用插入式結構彌補了這個缺陷,因而深受用戶的歡迎。差壓式均速管流量計由于其結構特點,使得它在大口徑流量測量中有突出的優點,如價格低廉,質量輕,易于安裝維修等。大量應用于自來水、空氣、煤氣,蒸汽等介質的能源計量和過程控制。
常用的插入式流量計有防堵型畢托巴流量計、賽德巴風量測量流量計、均速管流量計-TORBAR、德爾塔巴(Deltaflow)。

3、差壓式流量計按用途分類
①標準節流裝置。標準節流裝置在設計、制造、安裝及使用方面皆遵循國家標準的規定。
②低雷諾數節流裝置。如1/4圓孔板、錐形入口孔板及雙重孔板等。
③臟污流用節流裝置。如圓缺孔板、偏心孔板及楔形流量計等。
④低壓損節流裝置。如道爾管、羅洛斯管、通用文丘里管、彎管及環形管等。
⑤小管徑節流裝置。如內藏孔板和一體化流量變送器等。
⑥寬范圍度節流裝置。如線性孔板等。
⑦臨界流節流裝置。如臨界流文丘里噴嘴等。
⑧端頭節流裝置。如端頭孔板、端頭噴嘴等。
