1、流量變頻優化控制
當工藝需要流量變化時有兩種控制方式:
①泵流量不變,通過節流調整管路特性曲線改變流量;
②管路特性曲線不變,通過調整泵轉速改變流量。
在同樣流量情況下,通過節流控制的能耗高于降速調節能耗,所以變速控制可以節能。泵的工作點由泵的特性和管路特性共同決定,如果在保證揚程的情況下控制流量就需要同時進行節流控制和變速控制。為了適應工藝的變化,流量的變頻節能優化控制方案要同時使用變頻控制和節流控制。
節流控制流量的方案存在如下問題:
①只能人為改變頻率實現節能,無法根據流量控制的實時情況動態優化控制。
②泵能力大,能力過剩嚴重,能耗高,設備損傷大。
常規離心泵變頻控制流量的方案存在如下問題:
①流量變化時,調整不及時;
②頻繁調整變頻器容易故障。
為了解決上面這些問題可以采用圖1的流量變頻節能優化控制系統。

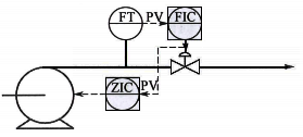
圖1 流量變頻節能優化控制系統
變頻節能控制系統,具體控制策略如下:
①根據流量控制回路的模式決定節能優化控制系統模式。流量控制系統模式為手動,則節能優化控制系統模式也設置為手動;流量控制系統為自動或串級,則節能優化控制系統模式設置為自動。
②根據流量調節閥開度與期望開度的差值計算出控制量進行變頻器控制,以調節離心泵轉速。
為了實現既能流量調節又能根據實際情況節能的目的,推薦的期望開度應該盡量大一些以實現節能的目標。為了保證控制系統始終正常工作,在手動模式時設定值不跟蹤測量值。如果存在變頻器頻率太低影響離心泵壽命的情況,可以設置合理的控制器輸出低限。
2、換熱器處理量優化
在換熱器系統中要首先保證物料出口溫度的穩定,在溫度穩定的前提下工藝要求實現換熱器的處理量最大化。這可以通過如圖2所示的換熱器處理量優化控制策略實現。閥位控制器ZIC的設定值可以設置為90%,當蒸汽調節閥閥位大于90%時說明換熱器負荷太高了,通過閥位控制緩慢降低換熱器處理量可以增加換熱器出口溫度并通過出口溫度控制回路逐漸關小蒸汽調節閥。當蒸汽調節閥閥位小于90%時,說明換熱器負荷還有增加空間,通過閥位控制緩慢增加換熱器處理量,可以降低換熱器出口溫度并通過出口溫度控制回路逐漸開大蒸汽調節閥。蒸汽調節閥全開物料出口溫度串級進料流量的控制方案,則不能保證控制的快速性和有效性,這種情況換熱器處理量優化控制方案是最優方案。

圖2 換熱器處理量優化控制
