反饋控制也稱閉環(closed-loop)控制。如同流量及壓力控制一樣,操作端控制信號的變化經由系統后作為傳感器的測量值從檢測端返回,這種控制系統稱為反饋控制。在自動控制中,反饋控制使用得最廣泛,抗外部干擾的能力強,能實現穩定控制。 反饋控制中通常會選用傻瓜式模糊調節器或能適應各種復雜工況的人工智能PID調節器。

反饋控制示例
2、前饋控制(Feedforword Control)
用于熱過程或傳送裝置等過程響應時間長、外部干擾大的情況。
前饋控制與上面提到的反饋控制結合使用,在溫度發生變化之前檢測外部干擾(此時為水的流量變化),在反饋控制前修正控制信號,所以也稱為超前動作。 前饋控制通常由單回路調節器和加減法數學運算器構成,選擇適合的調節器、整定最佳PID參數和數學運算器系數對提升前饋控制系統控制效果很重要。

前饋控制示例
3、順序控制(Sequence Control)
要在水槽中獲得溫水,將熱水進水閥打開一段時間后關閉,再將冷水進水閥打開一段時間后關閉,雖然溫度不那么精確但也可以獲得溫水。像這樣將一系列的ON/OFF操作進行自動化控制稱為順序控制,即“按照事先確定的順序進行的控制”。該控制既沒有目標值也沒有修正動作,不受外部干擾。

順序控制示例
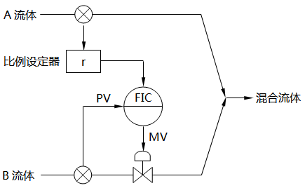
4、比值控制系統
將多種流體按比例混合時,使用比值控制系統(Ratio Control)。比值運算的例子請參照流量的比值運算示例。

比值控制示例
5、串級控制系統
利用主調節器和從動調節器將過程變量不同的回路進行組合,將主調節器的輸出連接到從動調節器的設定上,這種控制系統稱為串級控制系統。
串級(Cascade)有一連串過程的意思。作為基本條件,從動調節回路的系統響應比主調節回路快。對于燃料壓力的變化等從屬端的外部干擾,可以盡早修正。

6、超馳控制系統
超馳控制系統(Override Control)是自動選擇多個調節器的輸出信號,進而對過程進行控制的方式。如圖所示,在確保燃燒器燃料壓力最低的同時,在進行流量控制的回路中,自動選擇壓力調節器和流量調節器中控制輸出較大的一個,對調節閥進行控制。該控制回路也稱為自動選擇(AUTO-selector)控制。在本站論壇里有超馳控制的介紹,感興趣可移步去看看

超馳控制示例
本例中,使用了high selector,有時也使用low selector。
7、程序控制系統
程序控制系統(Program Control)是按照事先確定好的時間計劃來改變設定值的控制系統。使用程序設定器或者具有設定變更功能的可編程溫控器,主要適用于煅燒爐等設備中。

程序控制示例
8、批量控制系統
批量控制系統(Batch Control)主要用于裝填設備,如將汽油或煤油等裝載到油罐車中的裝車設備,主要功能是當裝填量達到設定值后,自動停止。
高性能批處理調節器具備初始速度設定、預先定量設定等功能。批量控制系統通常由帶批量控制的流量積算儀完成,相關信息在流量定量控制儀產品頁面詳細講解
①初始速度設定是指開始注入時為了避免噴嘴尖端因靜電而產生火花,在噴嘴尖端接觸液體前,進行小流量注入功能的設定。
②預先定量設定是指在達到一定量的累積值時,減少充填流量,以防止過度注入的功能的設定。

批量控制示例
