昌暉儀表YR-SR9000系列安全繼電器主要用在機器設備的安全保護元件(如安全門開關、緊急停止開關、安全光幕等)和起停控制元件(如繼電器、液壓電磁閥等)之間,用來確認機器的安全輸入(如:安全門是否關閉到位、安全光幕是否被遮擋、安全閥閥芯是否卡阻等)。

安全繼電器型號及應用
型號:YR-SR-9000A安全繼電器適用于監控急停開關、安全門
型號:YR-SR-9002T安全繼電器適用于監控急停開關、安全門
型號:YR-SR-9000B安全繼電器適用于監控安全地毯/安全邊緣
型號:YR-SR-9000N安全繼電器適用于監控安全光幕(NPN)
型號:YR-SR-9000P安全繼電器適用于安全光幕(PNP)
型號:YR-SR-9000S適用于雙手按鈕啟動
安全繼電器主要技術參數
電源電壓:24VDC
電壓范圍:85%-110%
模塊功耗:≤3W(24VDC)
輸入:雙通道
輸出:安全輸出:3路常開輸出;信號輸出:1路常閉輸出
開關容量:4路常開觸點(6次/分鐘):AC15(5A/230VAC);DC13(7A/24VDC)
約定發熱電流Ith:5A
保險等級:6A快或4A慢
使用類別:AC15,DC13
時間:雙通道輸入同步時間:不限;額定電壓下安全輸出時間:手動啟動35ms;
觸點材料及結構:AgSnO+0.2μmAu,強制斷開觸點
觸點電阻:≤100m歐姆
機械壽命:1千萬次
狀態顯示:3個綠色LED
啟動按鈕監控:手動啟動/自動啟動
防護等級:端子IP20;殼體IP40
額定絕緣電壓:300V(符合IEC60947-5-1的污染等級2)
額定沖擊耐壓:2500V(符合IEC60947-5-1的Ⅱ類過電壓)
工作溫度:-25℃~55℃
存儲溫度:-35℃~85℃
接線能力:最大2根1.5mm2實心或多芯線或1根2.5mm2實心或多芯線
安全繼電器符合標準:BS EN 62061:2015,ISO 13849-1:2015,ISO 13849-2:2012,IEC EN 60204-1,ISO 13849-1
安全繼電器安全完整性等級(SIL):EN954-1,最大安全控制等級4
性能水平:ISO 13849-1:2015,PLe
外形尺寸:厚22.5×寬99×高114.5mm
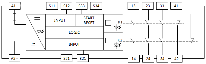
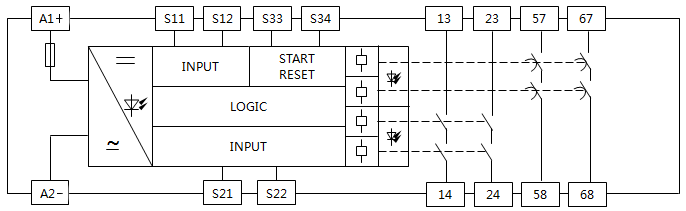
安全繼電器面板功能
①A1+A2:電源接線端子,24VDC供電
②S11/S12:左手啟動信號輸入通道1接線端子
③S21/S22:右手啟動信號輸入通道1接線端子
④S33/S44:啟動待機接線端子
⑤13/14,33/34:三路安全輸出(NO)接線端子
⑤41/42:信號輸出(NC)接線端子
⑥POWER:綠色LED,電源(A1/A2)上電,內置保險絲未動動作時點亮
⑦Channel1:綠色LED,安全繼電器K1閉合時點亮
⑧Channel2:綠色LED,安全繼電器K2閉合時點亮
安全繼電器功能框圖
①型號YR-SR-9000A/9000B/9000S安全繼電器功能框圖

②型號YR-SR-9000N/9000P安全繼電器功能框圖

③型號YR-SR-9002T安全繼電器功能框圖

如何選用安全繼電器?
安全繼電器根據安全回路輸入設備的不同,可以通過以下5方面進行安全繼電器選型:
1、輸入設備
2、輸出通道數
3、后端驅動能力要求
4、安全等級
5、功能要求
機械安全回路的輸入設備通常為安全傳感器,主要有急停按鈕、安全門、安全光幕、安全墊、聯鎖裝置、雙手按鈕、激光掃描器等。
