
技術參數
直流電源SPD型號:①直流110V浪涌保護器型號為YR9000PB-110-P;②直流220V浪涌保護器型號為YR9000PB-220-P
防雷類別:MOV
防護線數:2線
額定工作電壓Un(DC):YR9000PB-110-P為110V;YR9000PB-220-P為220V
最大工作電壓Uc(DC):YR9000PB-110-P為180V;YR9000PB-220-P為320V
額定放電電流In(8/20μs):20kA
最大放電電流Imax(8/20μs):40kA
限制電壓Up(8/20μs):YR9000PB-110-P為700V;YR9000PB-220-P為1000V
前置熔斷器或空氣開關:25-40A
直流電源SPD響應時間tA:25ns
使用環境溫度:-40℃~80℃
外殼防護等級:IP20
外殼材料/阻燃等級(UL94):尼龍PA66/V0
測試標準符合:IEC60529、GB18802.21-2004
直流電源SPD防雷性能測試:上海市防雷中心防雷產品測試中心
工作狀態指示:透明窗綠色為正常,透明窗紅色為失效
浪涌模塊:支持熱插拔,維修方便
質保期:3年
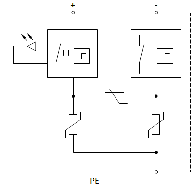
110V和220V直流電源浪涌保護器原理圖

110V和220V直流電源浪涌保護器接線與典型應用

110V和220V直流電源浪涌保護器外形尺寸

