單相電流表YR-GFI用于高低壓電氣系統單相電流參數測量,電流表基于最新MCU微處理器技術和模塊化結構,單相電流表具備高抗干擾性、高穩定性和高精度等特點。電流表支持開關量輸入、繼電器輸出、RS485通訊和3種安裝尺寸,可直接替代模擬指針電流表,更廣泛的適用于各種控制系統(SCADA、DCS等)。


單相電流表參數
1、電流表精度等級:0.2%精度
2、電流測量輸入
①額定值 :AC1A交流互感器輸入/AC5A交流互感器輸入
②過負荷:持續:1.2倍 瞬時:電流10倍(5秒)
③功耗:<0.4VA
④阻抗:20MΩ
3、頻率:50-60Hz±10%
4、電源:AC/DC100-240V
5、單相電流表功耗:<5W
6、單相電流表輸出
①數字量(選配附加功能):RS485接口,Modbus RTU協議
②模擬量(選配附加功能):1路4-20mA模擬量隔離輸出
7、工作條件:環境溫度:-10~50℃,相對濕度≤93%,無腐蝕氣體場所,海拔高度≤2500米
8、儀表絕緣電阻:≥100MΩ
9、單相電流表結構
①外殼:儀表外殼為ABS工程塑料
②面板:亞克力有機玻璃面板
③按鍵:單相電流表按鍵數量4個,硅膠按鍵
10、單相電流表顯示方式:1排4位數碼管顯示
11、電流表外形
①YR-GFI-9K1 外形尺寸:96×96×85mm(高×寬×深);開孔尺寸:92×92mm(高×寬)
②YR-GFI-5K1外形尺寸:96×48×85mm(高×寬×深);開孔尺寸:92×45mm(高×寬)
③YR-GFI-BK1外形尺寸:160×80×142mm(高×寬×深);開孔尺寸:152×76mm(高×寬)

單相電流表選型表
YR-GF①-②③④⑤⑥-⑦⑧-⑨-⑩
①功能代碼
[I]:多功能電力儀表
②外形尺寸
[5]:外形尺寸:96×48×85mm(高×寬×深)/開孔尺寸:92×45mm(高×寬)
[9]:外形尺寸:96×96×85mm(高×寬×深)/開孔尺寸:92×92mm(高×寬)
[B]:外形尺寸:160×80×142mm(高×寬×深)/開孔尺寸:152×76mm(高×寬)
③產品設計序號
[K]:功能增強型(可以增加附加功能)
④:參數顯示個數
[1]:1個參數顯示
⑤通訊接口(160×80mm儀表通訊和變送輸出不能同時存在;96×96mm和96×48mm儀表通訊和變送輸出可以復選)
[N]:無通訊
[C]:RS485通訊
⑥變送輸出(160×80mm儀表通訊和變送輸出不能同時存在;96×96mm和96×48mm儀表通訊和變送輸出可以復選)
[N]:無變送輸出
[1M]:1路4-20mA變送輸出(RL≤500Ω)
[2M]:1路0-10mA變送輸出(RL≤1000Ω)
[3M]:1路0-20mA變送輸出(RL≤500Ω)
[1V]:1路1-5V變送輸出(RL≥250kΩ)
[2V]:1路0-5V變送輸出(RL≥250kΩ)
[1X]:1路其他(用戶指定輸出)
⑦電壓輸入信號類型
[N]:無電壓輸入
⑧電流輸入信號類型
[1]:AC0-1A
[2]:AC0-5A
⑨報警
[N]:無報警
[2]:2限報警
⑩儀表供電電源
[W]:DC20-29V
[T]:DC/AC100-240V
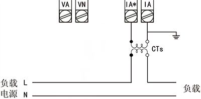
YR-GFI單相電流表接線圖


①單相兩線系統,采用無無CT方式的接線圖

②單相兩線系統,采用1CT方式的接線圖
1、純顯示電流表
YR-GFI-5K1NN-N2-N-T
YR-GFI-9K1NN-N2-N-T
YR-GFI-BK1NN-N2-N-T
2、顯示+報警電流表
單相電流表型號:YR-GFI-5K1NN-N2-2-T
單相電流表型號:YR-GFI-9K1NN-N2-2-T
單相電流表型號:YR-GFI-BK1NN-N2-2-T
3、顯示+4-20mA變送輸出電流表
單相電流表型號:YR-GFI-5K1N1M-N2-N-T
單相電流表型號:YR-GFI-9K1N1M-N2-N-T
單相電流表型號:YR-GFI-BK1N1M-N2-N-T
4、顯示+RS485通信+4-20mA變送輸出
單相電流表型號:YR-GFI-5K1C1M-N2-N-T
單相電流表型號:YR-GFI-9K1C1M-N2-N-T
單相電流表型號:YR-GFI-BK1C1M-N2-N-T
5、顯示+RS485通信+2路報警電流表
單相電流表型號:YR-GFI-5K1CN-N2-2-T
單相電流表型號:YR-GFI-9K1CN-N2-2-T
單相電流表型號:YR-GFI-BK1CN-N2-2-T
用數顯電流表直接替代指針電流表成本時投資會有所增加,昌暉單相電流表以高穩定性、高可靠性、高精度和高性價比見長,昌暉建議大家選用YR-GFI單相電流表,品質高貴而不貴!!
數顯電流表的使用方法
昌暉儀表是數顯電流表廠家,數顯電流表分為單相電流表和三相電流表兩種。在電氣系統電流參數測量過程中,如果我們深入了解電流表的性能及電流表的使用方法后,儀表運行將更加穩定和可靠:
1、數顯電流表和液晶電流表的深度都比指針電流表大,安裝單相電流表時應注意其安裝空間尺寸要滿足儀表深度要求。
2、單相電流表電源交流和直流都行,儀表極限的工作電源電壓范圍為AC/DC100-240V,必須保證所提供的電源適合單相電流表電源電壓要求,否則將導致儀表出現損壞。若使用交流電源,建議在火線一側安裝1A的保險絲。
3、單相電流表測量交流電流時標準額定輸入電流為5A(或1A),大于5A的情況應使用外部CT
4、若使用的CT上連有其他儀表,接線應采用串接方式,拆卸單相電流表輸入連線之前,必須斷開CT一次回路或者短接二次回路。昌暉工程師建議使用接線端子,不要直接連接CT,以便單相電流表拆裝。
