單相多功能電力儀表能高精度的測量AC220V電力系統或高壓電力系統中單相交流電壓、交流電流、有功功率、無功功率、視在功率、有功電能、無功電能、視在電能、功率因素和工頻周波;帶RS485數字通訊接口可實現儀表組網通訊功能;帶1路電能累積脈沖輸出。單相多功能電力采用LED數碼來顯示測量參數,四種外形尺寸,有四個操作按鍵,用戶可現場方便的實現顯示切換、儀表參數編程設置,具有很強的靈活性。

單相多功能電力儀表具有極高的性價比,可以直接取代昌暉電量變送器、測量指示儀表以及相關的輔助單元。作為一種先進的智能化、數字化的電網前端采集元件,YR-GFE單相多功能電力儀表已廣泛應用于各種控制系統、SCADA系統和能源管理系統、變電站自動化、配電網自動化、小區電力監控、工業自動化、智能建筑、智能配電盤、開關柜中,具有安裝方便,接線簡單,維護方便、工程量小,現場可編程設置輸入參數、能完成業界與PLC、工業控制計算機通訊軟件的組網。

單相多功能電力儀表技術指標
1、精度:U、I為0.2%級,P、Q為0.2%級,有功電能為0.2%級,無功電能為0.4%級

2、輸入測量:
①電壓:額定值/AC100V、AC500V;過負荷:持續:1.2倍,瞬時:電壓2倍(10秒);功耗<1VA;阻抗>300kΩ
②電流:額定值/AC1A、AC5A;過負荷/持續:1.2倍,瞬時:電流10倍(5秒);功耗<0.4VA;阻抗<20MΩ
3、頻率:50-60Hz±10%
4、電能:有功、無功電能計算
5、電源:AC/DC80-270V
6、功耗:<5W
7、儀表輸出:
①數字量 :RS485接口,Modbus-RTU協議
②電能脈沖輸入:累積沖輸出1路,光耦隔離
8、工作條件:環境溫度-10~50℃;相對濕度≤93%,無腐蝕氣體場所,海拔高度≤2500米
9、儀表絕緣電阻:≥100MΩ
10、儀表結構:儀表外殼為ABS工程塑料;亞克力有機玻璃面板;按鍵數量4個,硅膠按鍵
10、顯示方式:1排LED數碼顯示
11、儀表尺寸:4種外形尺寸

單相多功能電力儀表選型表
YR-GF①-②③④⑤⑥⑦⑧-⑨⑩-?-?
①功能代碼
[E]:綜合電量(電壓、電流、有功功率、無功功率、視在功率、有功電能、無功電能、視在電能、功率因素、工頻周波)測量
②外形尺寸
[3]:外形尺寸:80×80×115mm(高×寬×深)/開孔尺寸:76×76mm(高×寬)
[5]:外形尺寸:96×48×97mm(高×寬×深)/開孔尺寸:92×45mm(高×寬)
[9]:外形尺寸:96×96×97mm(高×寬×深)/開孔尺寸:92×92mm(高×寬)
[B]:外形尺寸:160×80×142mm(高×寬×深)/開孔尺寸:152×76mm(高×寬)
③產品設計序號
[S]:多功能儀表設計序號
④:參數顯示個數
[1]:1個參數顯示
⑤電網類型
[2]:單相
⑥通訊接口(160×80mm儀表通訊和變送輸出不能同時存在;96×96mm、96×48mm和80×80mm儀表通訊和變送輸出可以復選)
[N]:無通訊
[C]:RS485通訊
⑦變送輸出(160×80mm儀表通訊和變送輸出不能同時存在;96×96mm、96×48mm和80×80mm儀表通訊和變送輸出可以復選)
[N]:無變送輸出
[1M]:1路4-20mA變送輸出(RL≤500Ω)
[2M]:1路0-10mA變送輸出(RL≤1000Ω)
[3M]:1路0-20mA變送輸出(RL≤500Ω)
[1V]:1路1-5V變送輸出(RL≥250kΩ)
[2V]:1路0-5V變送輸出(RL≥250kΩ)
[1X]:1路其他(用戶指定輸出)
⑧累積脈沖輸出
[N]:無累積脈沖輸出
[P1]:1路累積脈沖輸出(適用于電能累積)
⑨電壓輸入信號類型
[1]:0-100VAC
[2]:0-500VAC
⑩電流輸入信號類型
[1]:AC0-1A
[2]:AC0-5A
?報警
[N]:無報警
[2]:2限報警
?儀表供電電源
[W]:DC20-29V
[T]:DC/AC100-240V
備注:
1、外形規格為160×80mm儀表,模擬量輸出、通訊輸出和累積脈沖輸出在同組接線端子上,只能選擇其中一種功能;外形規格為96×96mm、96×48mm和80×80mm儀表,模擬量輸出和累積脈沖輸出在同組接線端子上,只能選擇其中一種功能。
2、選擇累積脈沖輸出(按電壓、電流倍率的1倍計算)時,請在訂貨時注明清楚測量類型和脈沖常數。
YR-GFE單相多功能電力儀表接線圖
1、外形規格為160×80mm儀表接線圖

2、外形規格為96×96mm和96×48mm儀表接線圖

3、外形規格為80×80mm儀表接線圖

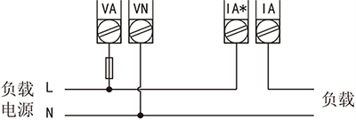
儀表各輸入方式接線說明
①單相兩線系統,采用無PT,無CT方式的接線圖

②單相兩線系統,采用1PT,1CT方式的接線圖

儀表電能脈沖輸出接線說明
電能脈沖輸出采用光耦集電極開路方式實現電能的遠傳,遠程的計算機終端、PLC或開關量采集模塊采集儀表的脈沖總數來實現電能累積計量。

